Warenkorb

Es gibt keine Treffer zu Ihrer Suche

349120

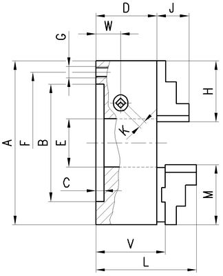
Keilstangenfutter RÖHM Duro-T

DURO-T Keilstangenfutter werden in Bereichen erfolgreich eingesetzt, die
extrem hohe Spannkräfte, eine hohe Rundlaufgenauigkeit und verläßliche
Dauer-Wiederholgenauigkeit erfordern.
DIN 6350, zylindrische Zentrieraufnahme, mit einteiligen Umkehrbacken.

Passendes Zubehör:
349130 Stufenbacke RÖHM
349132 Blockbacke RÖHM

Passende Ersatzteile:
349130 Stufenbacke RÖHM
349132 Blockbacke RÖHM


Lieferumfang: einteilige Umkehrbacken im Futter montiert und ausgeschliffen, Spannschlüssel und Befestigungsschrauben.
7 gefundene Artikel
FILTER
Grösse
Grösse

Filter löschen
Durchlass [mm]
Durchlass [mm]

Filter löschen
Artikel Nr
Bezeichnung
Grösse
125 - 500
Durchlass [mm]
32 - 162
D [mm]
46.5 - 118
Drehzahl max. [min-1]
6000 - 1900
Drehmoment [Nm]
20 - 100
Spannkraft [kN]
8.5 - 102
Netto CHF
zzgl. Versand
Staffelung
Netto CHF
zzgl. Versand
Menge
7 gefundene Artikel
Loading...
zzgl.
pro