ToolShop
Unternehmen
Aktuelles
Newsletter
Downloads
Hilfe
1
de
English
français
Schweiz
Schweiz
Chile
Ägypten
Andorra
Argentinien
Australien
Belgien
Bolivien
Brasilien
Bulgarien
China
Costa Rica
Dänemark
Deutschland
Ecuador
Estland
Finnland
Frankreich
Griechenland
Indien
Irland
Island
Italien
Japan
Kamerun
Kanada
Kolumbien
Kosovo
Lettland
Liechtenstein
Litauen
Luxemburg
Malaysia
Malta
Marokko
Mauritius
Mexiko
Monaco
Neuseeland
Niederlande
Norwegen
Österreich
Paraguay
Peru
Philippinen
Polen
Portugal
Rumänien
San Marino
Saudi-Arabien
Schweden
Slowakei
Slowenien
Spanien
Südafrika
Südkorea
Taiwan
Thailand
Tschechien
Tunesien
Türkei
Uruguay
Vatikanstadt
Venezuela
Vereinigte Staaten
Vereinigtes Königreich
Zypern
Netto
Brutto
Es gibt keine Treffer zu Ihrer Suche
Schnellerfassung
Anmelden / Registrieren
Benutzername
Passwort
Anmeldedaten speichern
Anmelden
Noch kein Konto? Registrieren
Passwort vergessen?
0
Warenkorb
Warenkorb
Industriesortiment
Spezialsortimente
Marken
Empfehlungen
Aktionen
ToolSelection
Messtechnik
Fertigungstechnik
Langdrehen und Mikro-Bearbeitung
Montagetechnik
Schleif- und Trenntechnik
Chemisch-technische Produkte
Betriebseinrichtungen
Büroeinrichtungen
Lager- und Entnahmesysteme
Verbindungstechnik
Druckluft und Pneumatik
Normteile
Fluidtechnik
Arbeitsschutz
FUTURO Werkzeuge
NERIOX Werkzeuge
SmartFactory
Kataloge / Bücher
Bau und Handwerk - Produkte für alle Gewerke
Horlogerie - Alles für die Uhrenindustrie
Herstellersortimente - Alle Produkte von ausgewählten strategischen Partnern
PLUS Market
ToolSelection - Für Sie ausgewählte Produktempfehlungen
Messtechnik
Fertigungstechnik
Montagetechnik
Normteile
Arbeitsschutz
Horlogerie
Hauptmenü
Industriesortiment
Spezialsortimente
Marken
Empfehlungen
Aktionen
ToolShop
Unternehmen
Aktuelles
Newsletter
Downloads
Hilfe
Industriesortiment anzeigen
ToolSelection
Messtechnik
Fertigungstechnik
Langdrehen und Mikro-Bearbeitung
Montagetechnik
Schleif- und Trenntechnik
Chemisch-technische Produkte
Betriebseinrichtungen
Büroeinrichtungen
Lager- und Entnahmesysteme
Verbindungstechnik
Druckluft und Pneumatik
Normteile
Fluidtechnik
Arbeitsschutz
FUTURO Werkzeuge
NERIOX Werkzeuge
SmartFactory
Kataloge / Bücher
Spezialsortimente anzeigen
Bau und Handwerk - Produkte für alle Gewerke
Horlogerie - Alles für die Uhrenindustrie
Herstellersortimente - Alle Produkte von ausgewählten strategischen Partnern
PLUS Market
Empfehlungen anzeigen
ToolSelection - Für Sie ausgewählte Produktempfehlungen
Es gibt keine Treffer zu Ihrer Suche
Suchergebnisse anzeigen
Herstellersortimente
WALTER
Fräsen
Fräswerkzeuge mit Wendeschneidplatten
Fräswerkzeuge mit Wendeschneidplatten
Nutfräser
Scheibenfräser mit fester Schneidbreite
WALTER Scheibenfräser Xtra·tec®
zurück zur Übersicht
232274
Alle 4 Artikel ansehen
WALTER Scheibenfräser Xtra·tec®
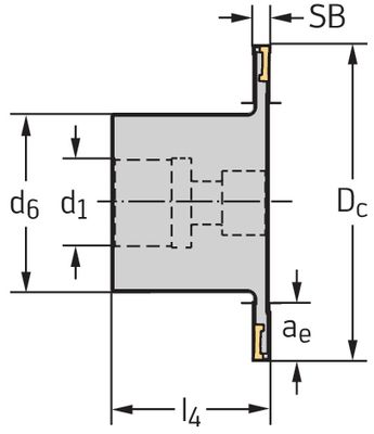
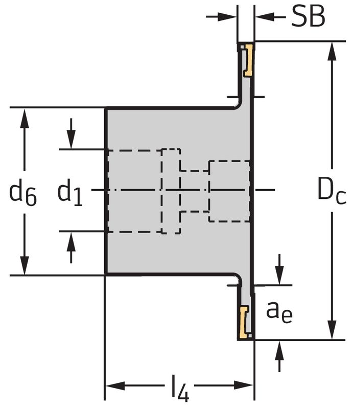
F4053, Anstellwinkel 90°, 2+2 Schneidkanten pro Wendeplatte, Negative Wendeplattengrundform, tangentiale Wendeplattenanordnung, Kreuzverzahnt, Dreiseitig schneidend
FILTER
Dc [mm]
▾
Dc [mm]
✕
80
100
125
160
Filter setzen
Filter löschen
Mehr Filter
Weniger Filter
Filter zurücksetzen
Code
▾
Code
✕
F4053.BN22.080.Z04.04R
F4053.BN27.100.Z05.04R
F4053.BN32.125.Z06.04R
F4053.BN40.160.Z08.04R
Filter setzen
Filter löschen
d1 [mm]
▾
d1 [mm]
✕
22
27
32
40
Filter setzen
Filter löschen
d6 [mm]
▾
d6 [mm]
✕
45
48
60
75
Filter setzen
Filter löschen
SB [mm]
▾
SB [mm]
✕
4
Filter setzen
Filter löschen
ae [mm]
▾
ae [mm]
✕
16
24
30
40
Filter setzen
Filter löschen
Anzahl Zähne
▾
Anzahl Zähne
✕
4
5
6
8
Filter setzen
Filter löschen
Wendeplatte
▾
Wendeplatte
✕
LN .. 0702 ..
Filter setzen
Filter löschen
Nur Aktionen
Nur Neuheiten
Nur Lagerabverkauf
Artikel Nr
Bezeichnung
Dc [mm]
80 - 160
Code
F4053.BN22.080.Z04.04R - F4053.BN40.160.Z08.04R
d1 [mm]
22 - 40
d6 [mm]
45 - 75
SB [mm]
4
ae [mm]
16 - 40
Anzahl Zähne
4 - 8
Wendeplatte
LN .. 0702 ..
Netto CHF
zzgl. Versand
Staffelung
Netto CHF
zzgl. Versand
Menge
232274.0010
WALTER Scheibenfräser F4053
F4053.BN22.080.Z04.04R
80
Downloads:
CAD verfügbar wenn angemeldet
Artikel Details
Loading...
232274.0020
WALTER Scheibenfräser F4053
F4053.BN27.100.Z05.04R
100
Downloads:
CAD verfügbar wenn angemeldet
Artikel Details
Loading...
232274.0030
WALTER Scheibenfräser F4053
F4053.BN32.125.Z06.04R
125
Downloads:
CAD verfügbar wenn angemeldet
Artikel Details
Loading...
232274.0040
WALTER Scheibenfräser F4053
F4053.BN40.160.Z08.04R
160
Downloads:
CAD verfügbar wenn angemeldet
Artikel Details
Loading...
Loading...
zzgl.
pro
Menge angepasst
Produkt auf Einkaufsliste legen
Produkt auf Etikettenliste legen
Es ist ein Fehler aufgetreten
Entschuldigung! Es ist ein Fehler aufgetreten, bitte versuchen Sie es später noch einmal.